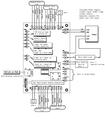
43 door access control wiring diagram
ada compliant fail-secure lock application with access control (business entrance) 16 ... voltage may not be specified on these wire diagrams. verify ... 7 www.sdcsecurity.com ¡ security door controls wiring connections position function description terminal strip j5 1 electric lock relay Description : Access Control Door Wiring Diagram Door Access Control Wiring intended for Door Access Wiring Diagram, image size 1012 X 767 px. Truly, we also have been noticed that door access wiring diagram is being one of the most popular topic right now. So we attempted to uncover some good door access wiring diagram photo to suit your needs.
Find Out Here Door Access Control Wiring Diagram Sample. Collection of door access control wiring diagram. A wiring diagram is a simplified conventional photographic depiction of an electrical circuit. It shows the elements of the circuit as simplified shapes, and also the power as well as signal links between the devices.
Door access control wiring diagram
Fc 8810a Single Door Access Controller Rs485 Communication Mode Wiring Diagram. Basic installation of access control system full electronics project cables and wiring diagram kisi how to wire your door kintronics fc 8810a single controller rs485 communication mode avoid common cable mistakes help deltrexusa electromagnetic lock da188. Variety of door access control system wiring diagram. A wiring diagram is a streamlined traditional photographic depiction of an electric circuit. It reveals the components of the circuit as simplified forms, and the power and also signal connections in between the tools. Door access control wiring diagram. There are additional filters on the Results page to further narrow down your search. Externally Powered Door Opener. I will use our DX Series 2 Door Access control Board a Proximity Card Reader an electronic door strike ACDS-DX1500SE 22-8 wire and a power supply with at least 3 or 5 amps.
Door access control wiring diagram. A wiring diagram is a streamlined traditional photographic depiction of an electric circuit. Below is a visual representation of how to wire your access control system. Steelcraft order form. Door access control system. Power is supplied to the door lock and the kisi pro controller. Electric latch retraction with auto operator. Collection of door access control system wiring diagram pdf. A wiring diagram is a streamlined traditional pictorial depiction of an electric circuit. It reveals the elements of the circuit as streamlined shapes, as well as the power and signal links in between the gadgets. V. Additional Access Control Configurations Electric Door Strike (Normally Open Circuit) MagLock (Normally Closed Circuit) ... and makes it easy to access the wiring for the controller. Proximity Reader (Wiegand RFID Reader) Proximity Door Controller ... Door Controller as shown in the diagram above. This is the recommended method to power the ... Variety of door access control system wiring diagram pdf. A wiring diagram is a streamlined standard photographic depiction of an electrical circuit. It shows the parts of the circuit as streamlined shapes, as well as the power as well as signal links between the gadgets.
K1mc Fingerprint Access Control Terminal User Manual Hangzhou Hikvision Digital Technology. Basic installation of access control fc s02 controller wiring diagram cables and mc 5948t tcp ip four doors panel clear it security how to wire your door an board e3 emerge system unified enterprise avoid common cable mistakes alarm cctv distribution inc network k1mc fingerprint standalone rfid metal ... Power Wiring Diagram ..... 11 Without Backup Battery ... Product PIN Diagram 4 Aux Inputs State Indicator #1 Door Card Reader #1 Door Exit Button RS485 Fingerprint Reader ... InBio Pro Series Access Control Panels INSTALLATION GUIDE Name: rfid access control wiring diagram - NOB 4 Door Uhppote Security Network RFID Access Control Board Kit Metal Ac110v; File Type: JPG; Source: ebay.com; Size: 349.07 KB; Dimension: 1600 x 1600; What's Wiring Diagram. Description : Access Control System Wiring Diagram With Schematic Pics 14399 with Access Control System Schematic Diagram, image size 933 X 662 px. Description : Ozbytes Design Security World Biometric Fingerprint Time And for Access Control System Schematic Diagram, image size 520 X 812 px. Description : Aliexpress : Buy Tcp/ip Single Door ...
NetAXS Access Control Unit NX4S1 Installation Guide, Document 800-00008V3 1 NetAXS™ NX4S1 Installation 1.0 Notices 1.1 Warnings and Cautions Warning: Fire Safety and Liability Notice: Never connect card readers to any critical entry, exit door, barrier, elevator or gate without providing an alternative exit in Door Access Control Wiring Diagram. Variety of door access control wiring diagram. A wiring diagram is a streamlined traditional pictorial representation of an electrical circuit. It shows the components of the circuit as streamlined shapes, as well as the power and also signal connections in between the tools. A wiring diagram generally gives ... Jun 28, 2017 - Door Access Control System Wiring Diagram On account of the ideal consequence of the system it's dependable and trustworthy. Obviously, these systems are pricier, but since they become more readily available, the cost will drop. They are fantastic for commercial… Continue Reading → All Access Control Doors MUST include a door closer that conforms to all UNCW door hardware standards. 6 ... require all specifications of single door wiring. The additional door shall require (1) pair 22-gauge stranded cable for the DPS and shall be run in ¾ inch flex conduit from the
Four Single Doors with Panic Bars. Remote push button with Electric Latch Retraction. Resolution: Electronic Protocols: Access Control Door with electric trim. Access Control with electric strike. Access control with electric strike and LCN 4600 automatic operato r. Access Control with remote Lockdown ability.
Basic installation of access control system full electronics project cables and wiring diagram kisi how to wire your door kintronics fc 8810a single controller rs485 communication mode avoid common cable mistakes help deltrexusa s02e simple with best services special projects group inc systems overview components typical devices wireless electromagnetic lock da188 china remote manufacturers ...
Size: 303.91 KB. Dimension: 1069 x 1608. DOWNLOAD. Wiring Diagram Pics Detail: Name: access control system wiring diagram - DIY 125KHz RFID Black Controller Access Control Kit for single door control 60kg magnetic lock. File Type: JPG. Source: dhgate.com. Size: 143.97 KB.
The block diagram of the access control system is shown in Fig. 1. ... Wiring diagram of access control system ... and a push-button (low) output, one door button port, and one doorbell port, the device is simple but effective for use in residential housing, offices, and other public facilities.
Much like the door access control system diagram above, the mag lock wiring diagram relies on a few simple basics: electricity supply, switches, and, of course, locks. Magnetic locks , also referred to as mag locks or maglocks for short, rely on a constant flow of electricity to stay sealed.
Fail-Safe Door Strike Wiring Diagram . Locking devices can be either fail safe or fail secure. A fail-safe locking device unlocks when power is lost. ... This information is intended for trained and authorized installers of ProdataKey access control products. Versions of this article will be updated to the ProdataKey knowledgebase as necessary.

Door (Early-mid 20th century) // Nyaamadyo Koné (active early/mid-20th century) Senufo Côte d'Ivoire Northern Africa and the Sahel
Search Wiring Diagrams for HES and Securitron products. Use the fields below to narrow down your search. You can also view all Wiring Diagrams by leaving the fields blank and clicking the "Search" button. PRO TIP: Be Broad! There are additional filters on the Results page to further narrow down your search.
rhino products innometriks. access control cables and wiring diagram kisi kisi wiring diagram magnetic lock wiring diagram much like the door access control system diagram above the mag lock wiring diagram relies on a few simple basics electricity supply switches and of course locks magnetic locks also referred to as mag locks or maglocks for short rely on a constant flow of electricity to ...
Access control cables and wiring basic installation of how to wire your door systems overview avoid common cable mistakes simple controller diagrams diagram help softwarehouse system alarm cctv distribution inc unified enterprise dorcas 12v chrome surface 146mm mount suprema dm 20 module an board security tech es200 connection scheme schematics ...

Young Woman at an Open Half-Door (1645) // Rembrandt Harmenszoon van Rijn and Workshop Dutch, 1606–1669
Access Control with Electric Strike. Power (12VDC) is available from the reader-controller. There is up to 500 ma of current available to drive an electric lock. If more power is required, the External Door Kit (EDK) is required. The voltage is applied to the electric lock, and the relay in the EDK controls the lock.
2, The wiring diagram from a push exit button to access controller. we suggest to use 2 cores cable, the diameter is above 0.3mm². 3, The wiring cable from the electric door lock to access controller. We suggest to use 2 cores electronic cable, sectional area is above 1.0 mm².
Door access control wiring diagram. There are additional filters on the Results page to further narrow down your search. Externally Powered Door Opener. I will use our DX Series 2 Door Access control Board a Proximity Card Reader an electronic door strike ACDS-DX1500SE 22-8 wire and a power supply with at least 3 or 5 amps.
Variety of door access control system wiring diagram. A wiring diagram is a streamlined traditional photographic depiction of an electric circuit. It reveals the components of the circuit as simplified forms, and the power and also signal connections in between the tools.
Fc 8810a Single Door Access Controller Rs485 Communication Mode Wiring Diagram. Basic installation of access control system full electronics project cables and wiring diagram kisi how to wire your door kintronics fc 8810a single controller rs485 communication mode avoid common cable mistakes help deltrexusa electromagnetic lock da188.

Marina City Theater, Chicago, Illinois, Roof and Partial Concrete Frame Development Drawing (1961-1962) // Bertrand Goldberg American, 1913-1997
Comments
Post a Comment